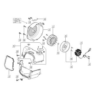
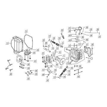
Rysunkitechniczne dla Kymco VP50 4-suwowy techno silver
Kliknijtutaj na rysunki techniczne lub widok rozstrzelony Kymco VP50 4-suwowy techno silver, do ktĂłrego szukasz czÄĆci lub akcesoriĂłw. Rysunki techniczne 4-suwowego techno srebra Kymco VP50 dajÄ jasny przeglÄ d rĂłĆŒnych pasujÄ cych czÄĆci i akcesoriĂłw. SzukajÄ c swoich czÄĆci, zawsze masz odpowiednie czÄĆci do swojego 4-suwowego srebra techno Kymco VP50.


