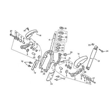
Rysunkitechniczne dla Killerbee Torino 125cc
Kliknijtutaj na rysunkach technicznych lub rozstrzelonym widoku skutera Killerbee Torino 125cc, do ktĂłrego szukasz czÄĆci lub akcesoriĂłw. Rysunki techniczne Killerbee Torino 125cc dajÄ jasny przeglÄ d rĂłĆŒnych pasujÄ cych czÄĆci i akcesoriĂłw. SzukajÄ c swoich czÄĆci, zawsze masz odpowiednie czÄĆci do swojego Killerbee Torino 125cc.
ĆatwoznajdĆș czÄĆci!
CzÄĆcii akcesoria, ktĂłre zawsze pasujÄ w 100% bezpieczne. Za pomocÄ powyĆŒszych rysunkĂłw technicznych znacznie Ćatwiej jest znaleĆșÄ odpowiednie czÄĆci do skutera. Na przykĆad mamy osobny rysunek prawie kaĆŒdej czÄĆci skutera, zawierajÄ cy czÄĆci odpowiednie dla Twojego Killerbee Torino 125cc. Ponadto, jeĆli uĆŒywasz produktĂłw na rysunku, masz najmniejsze szanse na zuĆŒycie.
Silniko pojemnoĆci 125 cm3.
OczywiĆcieskuter motorowy zawsze ma mocniejszy silnik jak zwykĆy skuter. Dlatego utrzymanie tego skutera pod kontrolÄ moĆŒe staÄ siÄ nieco trudniejsze, z caĆÄ jego mocÄ . Na szczÄĆcie zaradza temu szeroka kierownica i doskonaĆa obsĆuga. OprĂłcz tego, ĆŒe blok silnika jest bardzo mocny, jest rĂłwnieĆŒ bardzo ekonomiczny i doĆÄ cichy. WyglÄ d jest rĂłwnieĆŒ czymĆ, co odrĂłĆŒnia ten skuter od reszty. Czarny skuter o piÄknym wyglÄ dzie retro z bardzo szerokÄ kierownicÄ.


