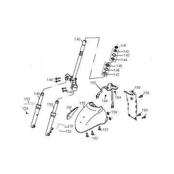
Rysunkitechniczne kremu Pronto San Remo
Kliknijtutaj na rysunkach technicznych lub rozstrzelonym widoku skutera kremowego Pronto San Remo, do ktĂłrego szukasz czÄĆci lub akcesoriĂłw. Rysunki techniczne kremu Pronto San Remo dajÄ jasny przeglÄ d rĂłĆŒnych pasujÄ cych czÄĆci i akcesoriĂłw. SzukajÄ c swoich czÄĆci, zawsze masz odpowiednie czÄĆci do kremu Pronto San Remo.
KolorySan Remo.
SanRemo wystÄpuje w nastÄpujÄ cych kolorach:
- Niebieski
- Czarny
- Matowy antracyt
- Krem
- Metaliczny brÄ zowy
- Dym
NaleĆŒypamiÄtaÄ, ĆŒe na przykĆad kolory okapĂłw mogÄ siÄ co najmniej rĂłĆŒniÄ.
Akcesoriai czÄĆci za pomocÄ rysunkĂłw.
JeĆlizamawiasz czÄĆci za pomocÄ rysunkĂłw, istnieje wiele zalet. W ten sposĂłb moĆŒesz Ćatwo i szybko znaleĆșÄ czÄĆci, ktĂłrych szukasz. Ponadto rysunki pozwalajÄ rĂłwnieĆŒ uzyskaÄ lepsze wyobraĆŒenie o tym, jak dokĆadnie zmontuje siÄ i konstruuje skuter. Masz rĂłwnieĆŒ tÄ zaletÄ, ĆŒe dopasowanie czÄĆci i akcesoriĂłw na rysunkach wynosi zawsze 100%, a poniewaĆŒ dopasowanie wynosi 100%, zachowujesz ryzyko zuĆŒycia na jak najniĆŒszym poziomie.


