Rysunkitechniczne dla Pronto San Remo brązowy
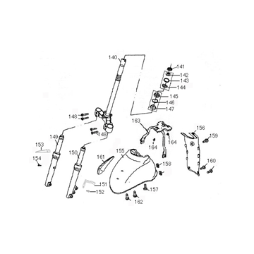
Kliknijtutaj rysunki techniczne lub widok rozstrzelony brązowego skutera Pronto San Remo, do którego szukasz części lub akcesoriów. Rysunki techniczne brązu Pronto San Remo dają jasny przegląd różnych pasujących części i akcesoriów. Szukając swoich części, zawsze masz odpowiednie części do swojego brązu Pronto San Remo.
KolorySan Remo.
SanRemo występuje w następujących kolorach:
- Niebieski
- Czarny
- Matowy antracyt
- Krem
- Metaliczny brązowy
- Dym
Należypamiętać, że na przykład kolory okapów mogą się co najmniej różnić.
Akcesoriai części za pomocą rysunków.
Jeślizamawiasz części za pomocą rysunków, istnieje wiele zalet. W ten sposób możesz łatwo i szybko znaleźć części, których szukasz. Ponadto rysunki pozwalają również uzyskać lepsze wyobrażenie o tym, jak dokładnie zmontuje się i konstruuje skuter. Masz również tę zaletę, że dopasowanie części i akcesoriów na rysunkach wynosi zawsze 100%, a ponieważ dopasowanie wynosi 100%, zachowujesz ryzyko zużycia na jak najniższym poziomie.


