Rysunkitechniczne dla Kymco Agility Fat 12' 4-suwowy Renault brązowy
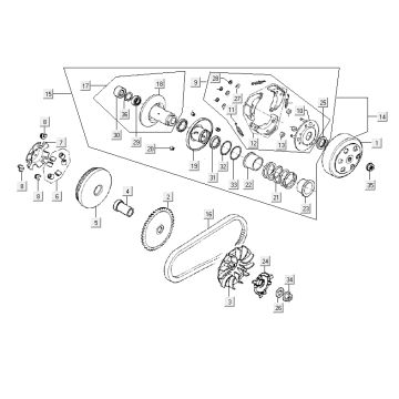
Kliknijtutaj na rysunkach technicznych lub rozstrzelonym widoku Kymco Agility Fat 12' 4-suwowy Renault brązowy, do którego szukasz części lub akcesoriów. Rysunki techniczne czterosuwowego Renault Kymco Agility Fat 12' w kolorze brązowym dają jasny przegląd różnych pasujących części i akcesoriów. Wyszukując swoje części, zawsze masz pasujące części do Kymco Agility Fat 12' 4-suwowy Renault brązowy.


