Rysunkitechniczne dla Kymco Maxxer 90
Kliknijtutaj na rysunkach technicznych lub rozstrzelonym widoku Kymco Maxxer 90, do którego szukasz części lub akcesoriów. Rysunki techniczne Kymco Maxxer 90 dają jasny przegląd różnych pasujących części i akcesoriów. Szukając swoich części, zawsze masz odpowiednie części do swojego Kymco Maxxer 90.
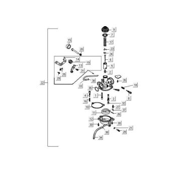
Częścido Kymco Maxxer 90
Dziękinaszym rysunkom technicznym Kymco Maxxer 90 możesz łatwo i szybko znaleźć pasujące oryginalne części. Części połączone z rysunkami są oryginalnymi częściami, więc masz gwarancję oryginalnej jakości.
MAXXER90 to model krok naprzód od Kymco
Opróczniespotykanej przyjemności z jazdy, Maxxer 90 oferuje również optymalne bezpieczeństwo, co czyni go wyjątkowo odpowiednim, ale dla najmłodszych quadów lub ATV. Ten Quad ma bardzo solidną sekcję rowerową, jest łatwy w prowadzeniu i ma dobre hamulce bębnowe. Silnik zostanie natychmiast wyłączony, gdy kierowca straci kontrolę nad kierownicą z powodu kabla awaryjnego. Regulowana regulacja przepustnicy może być regulowana w zależności od zdolności kierowcy do prowadzenia pojazdów, tak aby zawsze powstała odpowiedzialna sytuacja. Tylne światło i uderzający reflektor halogenowy są również zamontowane dla doskonałej widoczności i dobrej widoczności. W sumie, bardzo kompletny i bezpieczny Quad.
UDOGODNIENIAMaxxer 90:
-Regulowana przepustnica, dostosowana do zdolności jazdy
-Zatrzymanie awaryjne na sznurku dla optymalnego bezpieczeństwa
-Reflektor halogenowy i tylne światło
-Elektryczny start i kickstart
-Automatyczna skrzynia biegów
-Tylny uchwyt ułatwiający przemieszczanie
-Niezależne przednie zawieszenie


