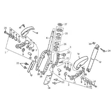
Częścizamienne i akcesoria do Killerbee Torino
Kliknijtutaj poprawną wersję skutera Killerbee Custom, do którego szukasz części lub akcesoriów. Rysunki techniczne Killerbee Torino dają jasny przegląd różnych pasujących części i akcesoriów. Oczywiście części Killerbee Torino pasują najlepiej.


