Rysunkitechniczne Rover Exclusive antracyt
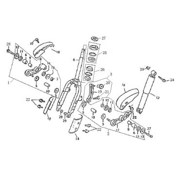
Kliknijtutaj na rysunkach technicznych lub rozstrzelonym widoku skutera Rover Exclusive antracytowego, do ktĂłrego szukasz czÄĆci lub akcesoriĂłw. Rysunki techniczne antracytu Rover Exclusive dajÄ jasny przeglÄ d rĂłĆŒnych pasujÄ cych czÄĆci i akcesoriĂłw. WyszukujÄ c swoje czÄĆci, zawsze masz odpowiednie czÄĆci do swojego Rover Exclusive antracyt.


