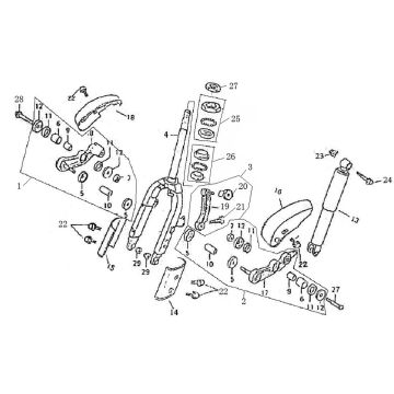
Rysunkitechniczne dla Rover Exclusive jasnoniebieski
Kliknijtutaj na rysunkach technicznych lub rozstrzelonym widoku jasnoniebieskiego skutera Rover Exclusive, do ktĂłrego szukasz czÄĆci lub akcesoriĂłw. Rysunki techniczne Rover Exclusive jasnoniebieskie dajÄ jasny przeglÄ d rĂłĆŒnych pasujÄ cych czÄĆci i akcesoriĂłw. WyszukujÄ c swoje czÄĆci, zawsze masz odpowiednie czÄĆci do swojego Rover Exclusive jasnoniebieski.


