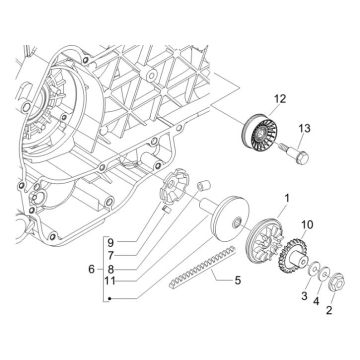
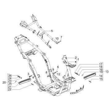
Oryginalneczęści do Gilera Runner 200cc
Rysunkitechniczne 4-suwowego Gilera Runner 200cc pozwalają łatwo wyszukać dowolną część. Skuter jest podzielony na jasne i przejrzyste rysunki techniczne, znane również jako „widoki rozstrzelone”. W ten sposób możesz mieć pewność, że zamówisz właściwą część. Części oferowane na tych rysunkach są oryginalne i dlatego mają najlepsze dopasowanie i są najlepszej jakości.


