Rysunkitechniczne dla SYM Fiddle 3 biały/niebieski
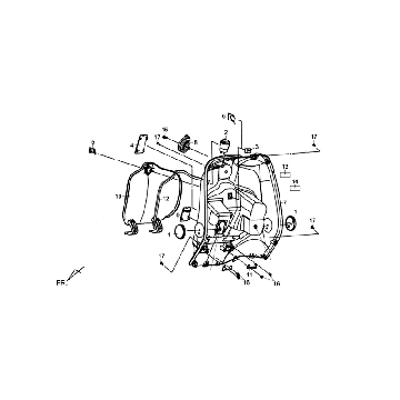
Kliknijtutaj na rysunkach technicznych lub rozstrzelonym widoku skutera biało-niebieskiego SYM Fiddle 3, do którego szukasz części lub akcesoriów. Rysunki techniczne SYM Fiddle 3 dają jasny przegląd różnych pasujących części i akcesoriów. Wyszukując swoje części, zawsze masz pasujące części do swojego SYM Fiddle 3 biały/niebieski.
OSym Fiddle III.
Jednymz największych producentów skuterów na świecie jest marka Sym. Sym Fiddle III jest również armatą sprzedażową. Nie bez powodu pozycja siedząca jest idealna ze względu na inteligentne umieszczenie kierownicy i blokadę zapłonu. W szczególności płaskie duże siedzisko zapewnia stabilne siedzenie i trzymanie się drogi. Sym Fiddle III jest wyposażony w super wydajny, mocny, a przede wszystkim cichy silnik czterosuwowy z wtryskiem. Części do Fiddle III są łatwo dostępne, zarówno oryginalne, jak i imitacyjne. Dotyczy to również wszystkich akcesoriów.
Łatwozamawiaj części za pomocą rysunków technicznych do swojego Sym Fiddle III.
SymFiddle III ma zróżnicowany zasięg klientów ze względu na wszystkie swoje pozytywne właściwości jezdne; wielu jeźdźców rekreacyjnych, ale oczywiście także do dojazdów do pracy! Możesz wybierać spośród różnych kolorów Sym Fiddle III tutaj, korzystając z naszych rysunków technicznych. Jeśli masz pytanie lub nie możesz znaleźć części? Można się z nim skontaktować za pośrednictwem https://www.zandri.nl/contact. Można to zrobić za pośrednictwem poczty, WhatsApp, czatu na żywo lub telefonu!
Noweczęści; zarówno fabrycznie oryginalne, jak i imitacja dla Sym Fiddle III.
Kaplicedla Sym Fiddle III są prawie zawsze oryginalne. Są drogie, ale kolor i dopasowanie są idealne. Części zamienne/imitacje są tanie (er) i łatwe do znalezienia za pomocą paska wyszukiwania powyżej lub struktury menu po lewej stronie witryny.


