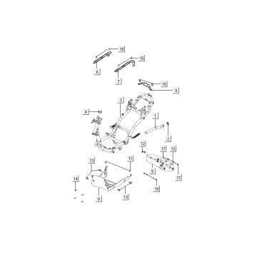
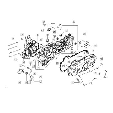
Rysunkitechniczne dla Kymco Agility Fat 12' 4-suwowy biały
Kliknijtutaj na rysunkach technicznych lub widoku rozstrzelonym Kymco Agility Fat 12' 4-suwowy biały, do którego szukasz części lub akcesoriów. Rysunki techniczne 4-suwowego białego Kymco Agility Fat 12' dają jasny przegląd różnych pasujących części i akcesoriów. Wyszukując swoje części, zawsze masz pasujące części do swojego 4-suwowego białego Kymco Agility Fat 12'.


