Rysunkitechniczne dla Killerbee VXL matowy zielony
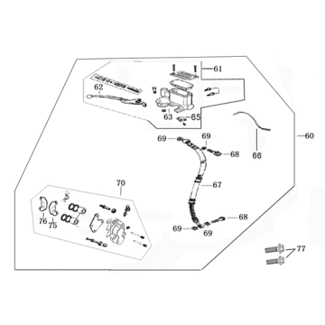
Kliknijtutaj na rysunki techniczne lub widok rozstrzelony skutera Killerbee VXL matowy zielony, do ktĂłrego szukasz czÄĆci lub akcesoriĂłw. Rysunki techniczne matowej zieleni Killerbee VXL dajÄ jasny przeglÄ d rĂłĆŒnych pasujÄ cych czÄĆci i akcesoriĂłw. WyszukujÄ c swoje czÄĆci, zawsze masz odpowiednie czÄĆci do swojego Killerbee VXL matowej zieleni.


