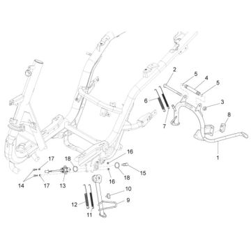
Rysunkitechniczne Piaggio New Fly 4-suwowy 2-zaworowy (wersja 25km/h) czerwony 584a
Kliknijtutaj na rysunkach technicznych lub widok rozstrzelony Piaggio New Fly 4-suwowy 2-zaworowy (wersja 25km/h) czerwony 584a skuter, dla ktĂłrego szukasz czÄĆci lub akcesoriĂłw. Rysunki techniczne 4-suwowego 2-zaworowego Piaggio New Fly (wersja 25 km/h) czerwony 584a dajÄ jasny przeglÄ d rĂłĆŒnych pasujÄ cych czÄĆci i akcesoriĂłw. SzukajÄ c swoich czÄĆci, zawsze masz odpowiednie czÄĆci do Piaggio New Fly 4-suwowy 2-zaworowy (wersja 25km/h) czerwony 584a.
Nowamucha Piaggio
PiaggioNew Fly jest nastÄpcÄ Piaggio Fly. Ten skuter jest starszym bratem Piaggio Zip, niezawodnego maĆego brata podstawowego. FLY to bardzo przestronny skuter dojeĆŒdĆŒajÄ cy do pracy, bez wiÄkszych dodatkĂłw. Ze wzglÄdu na dĆugi rozstaw osi Piaggio NEW FLY ma wyjÄ tkowo dobre prowadzenie. BagaĆŒnik staĆ siÄ rĂłwnieĆŒ bardziej przestronny w porĂłwnaniu do starego FLY. Piaggio New FLY pojawiĆ siÄ na rynku w 2012 roku, w rzeczywistoĆci jest to lifting oryginaĆu. Naszym zdaniem silnik czterosuwowy jest najbardziej niezawodny na Ćwiecie, takĆŒe ekonomiczny i cichy. Bardzo dobrze przemyĆlane zostaĆo rĂłwnieĆŒ poszycie z tworzywa sztucznego; w przypadku uszkodzenia Ćcinania specjalne boczne paski uderzeniowe zapewniajÄ ograniczenie uszkodzeĆ okapu! Ć»aden inny skuter nie ma tych paskĂłw jak zamontowane na Piaggio New Fly.


