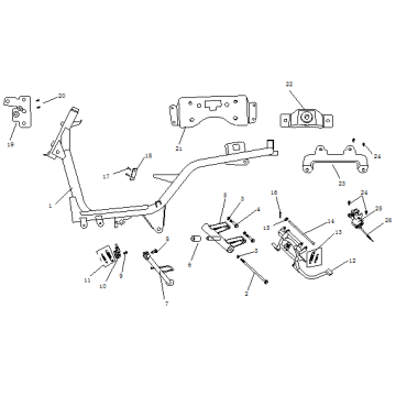
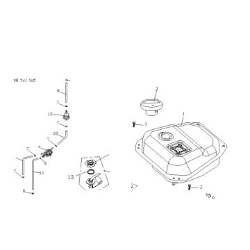
Rysunkitechniczne dla China Ape50 white
Kliknijtutaj na rysunkach technicznych lub rozstrzelonym widoku biaĆego skutera China Ape50, dla ktĂłrego szukasz czÄĆci lub akcesoriĂłw. Rysunki techniczne China Ape50 white dajÄ jasny przeglÄ d rĂłĆŒnych pasujÄ cych czÄĆci i akcesoriĂłw. WyszukujÄ c swoje czÄĆci, zawsze masz odpowiednie czÄĆci do swojego China Ape50 biaĆy.


