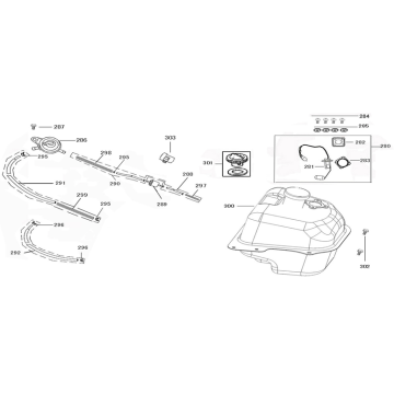
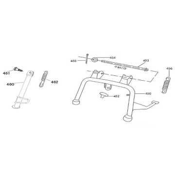
Rysunkitechniczne dla China Star50 kremowy zielony
Kliknijtutaj na rysunkach technicznych lub rozstrzelonym widoku China Star50 kremowy zielony skuter, dla ktĂłrego szukasz czÄĆci lub akcesoriĂłw. Rysunki techniczne kremowej zieleni China Star50 dajÄ jasny przeglÄ d rĂłĆŒnych pasujÄ cych czÄĆci i akcesoriĂłw. SzukajÄ c swoich czÄĆci, zawsze masz pasujÄ ce czÄĆci do swojego kremowego kremu China Star50.


