Rysunkitechniczne dla Senzo Rivalux biały
Kliknijtutaj rysunki techniczne lub widok rozstrzelony białego skutera Senzo Rivalux, do którego szukasz części lub akcesoriów. Rysunki techniczne Senzo Rivalux white dają jasny przegląd różnych pasujących części i akcesoriów. Wyszukując swoje części, zawsze masz pasujące części do swojego Senzo Rivalux white.
HulajnogaSenzo Rivalux
SenzoRivalux to prawdziwy wygląd Vespy. Senzo działa na benzynie bezołowiowej i jest ekonomiczny i cichy. Bagażnik pod siedzeniem jest duży. 4-suwowy silnik GY-6 zapewnia dobrą przyczepność. Senzo Rivalux to klasycznie wyglądający model skutera. Senzo Rivalux jest również odpowiedni dla dwóch osób, a Senzo Rivalux ma stosunkowo dużo miejsca na nogi.
Częścii kolory Senzo Rivalux
Typ Rivalux jest dostępny w wielu kolorach. Kolory, które są nam znane:
Częścido Senzo Rivalux
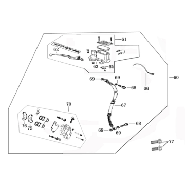
Do konserwacji Twojego Senzo Rivalux bardzo ważne jest, aby używać dobrze dopasowanych części, co zapobiega niepotrzebnemu zużyciu i może spowodować wiele niepotrzebnych kosztów. Powyżej można zobaczyć modele typu Senzo Rivalux, dla których mamy rysunki techniczne. Najpierw wybierz model, a następnie spójrz na rysunek, który Twoim zdaniem potrzebujesz. Jeśli szukasz części w ten sposób, zawsze masz gwarancję dopasowania części i akcesoriów do Twojego Senzo Rivalux.
Częścido Senzo Rivalux
CzęściSenzo Rivalux są łatwe do znalezienia dzięki naszym rysunkom technicznym. Przewijając, następnie powiększając, a następnie klikając zdjęcie. Korzystając z części i akcesoriów na rysunkach, możesz mieć pewność, że dopasowanie wynosi zawsze 100%, a zużycie skutera jest najmniejsze.
Senzoskutery
Opróczwszystkich części Senzo Rivalux, które można znaleźć na powyższych rysunkach technicznych, mamy również różne części do wielu innych typów marki Senzo, które można znaleźć na naszych rysunkach technicznych. Pomyśl o:
Jeślinie możesz znaleźć swojej części, skontaktuj się z naszym zespołem obsługi klienta. Chętnie Ci pomożemy!


