Rysunkitechniczne dla Senzo Rivalux czarny
Kliknijtutaj na rysunkach technicznych lub widoku rozstrzelonym czarnego skutera Senzo Rivalux, do ktĂłrego szukasz czÄĆci lub akcesoriĂłw. Rysunki techniczne Senzo Rivalux black dajÄ jasny przeglÄ d rĂłĆŒnych pasujÄ cych czÄĆci i akcesoriĂłw. WyszukujÄ c swoje czÄĆci, zawsze masz pasujÄ ce czÄĆci do Senzo Rivalux black.
HulajnogaSenzo Rivalux
SenzoRivalux to prawdziwy wyglÄ d Vespy. Senzo dziaĆa na benzynie bezoĆowiowej i jest ekonomiczny i cichy. BagaĆŒnik pod siedzeniem jest duĆŒy. 4-suwowy silnik GY-6 zapewnia dobrÄ przyczepnoĆÄ. Senzo Rivalux to klasycznie wyglÄ dajÄ cy model skutera. Senzo Rivalux jest rĂłwnieĆŒ odpowiedni dla dwĂłch osĂłb, a Senzo Rivalux ma stosunkowo duĆŒo miejsca na nogi.
CzÄĆcii kolory Senzo Rivalux
Typ Rivalux jest dostÄpny w wielu kolorach. Kolory, ktĂłre sÄ nam znane:
CzÄĆcido Senzo Rivalux
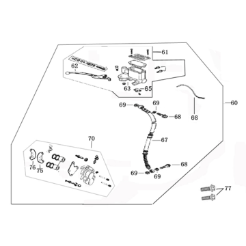
Do konserwacji Twojego Senzo Rivalux bardzo waĆŒne jest, aby uĆŒywaÄ dobrze dopasowanych czÄĆci, co zapobiega niepotrzebnemu zuĆŒyciu i moĆŒe spowodowaÄ wiele niepotrzebnych kosztĂłw. PowyĆŒej moĆŒna zobaczyÄ modele typu Senzo Rivalux, dla ktĂłrych mamy rysunki techniczne. Najpierw wybierz model, a nastÄpnie spĂłjrz na rysunek, ktĂłry Twoim zdaniem potrzebujesz. JeĆli szukasz czÄĆci w ten sposĂłb, zawsze masz gwarancjÄ dopasowania czÄĆci i akcesoriĂłw do Twojego Senzo Rivalux.
CzÄĆcido Senzo Rivalux
CzÄĆciSenzo Rivalux sÄ Ćatwe do znalezienia dziÄki naszym rysunkom technicznym. PrzewijajÄ c, nastÄpnie powiÄkszajÄ c, a nastÄpnie klikajÄ c zdjÄcie. KorzystajÄ c z czÄĆci i akcesoriĂłw na rysunkach, moĆŒesz mieÄ pewnoĆÄ, ĆŒe dopasowanie wynosi zawsze 100%, a zuĆŒycie skutera jest najmniejsze.
Senzoskutery
OprĂłczwszystkich czÄĆci Senzo Rivalux, ktĂłre moĆŒna znaleĆșÄ na powyĆŒszych rysunkach technicznych, mamy rĂłwnieĆŒ rĂłĆŒne czÄĆci do wielu innych typĂłw marki Senzo, ktĂłre moĆŒna znaleĆșÄ na naszych rysunkach technicznych. PomyĆl o:
JeĆlinie moĆŒesz znaleĆșÄ swojej czÄĆci, skontaktuj siÄ z naszym zespoĆem obsĆugi klienta. ChÄtnie Ci pomoĆŒemy!


