Cojest w środku?
Pięknywygląd retro i wyjątkowo szeroka kierownica. Turbho RG50 to prawdziwy retro skuter motocyklowy z bardzo mocnym czterosuwowym silnikiem 125 cm3. Ten silnik ma wiele cech, które czynią go tak wyjątkowym, a mianowicie:
- Ekonomiczny
- Potężny
- Nadaje się do Euro 98
- Niski poziom hałasu
- Nadaje się do euro 95
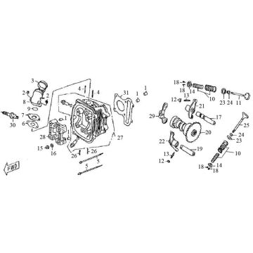
Częścii akcesoria.
Powyższerysunki pokazują części i akcesoria, które pasują do Twojego Turbho RG50 125cc. Należy pamiętać, że ten skuter jest dostępny tylko w kolorze czarnym, podobnie jak części. Korzystając z rysunków i zawartych w nich części, zawsze możesz mieć pewność, że dopasowanie wynosi 100%. W ten sposób ograniczysz ryzyko zużycia na minimalnym poziomie.


