Rysunkitechniczne Santini Capri mat ciemnoniebieski
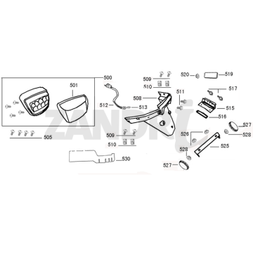
Kliknijtutaj na rysunkach technicznych lub widok rozstrzelony Santini Capri mat ciemnoniebieski skuter, dla ktĂłrego szukasz czÄĆci lub akcesoriĂłw. Rysunki techniczne maty Santini Capri ciemnoniebieskiej dajÄ jasny przeglÄ d rĂłĆŒnych pasujÄ cych czÄĆci i akcesoriĂłw. WyszukujÄ c swoje czÄĆci, zawsze masz pasujÄ ce czÄĆci do maty Santini Capri ciemnoniebieskiej.
SkuterSantini Capri
SantiniCapri to prawdziwy wyglÄ d Vespy. Capri nadaje siÄ rĂłwnieĆŒ dla dwĂłch osĂłb, a Santini ma stosunkowo duĆŒÄ iloĆÄ miejsca na nogi. BagaĆŒnik pod siedzeniem jest duĆŒy. Capri dziaĆa na benzynie bezoĆowiowej i jest ekonomiczny i cichy. 4-suwowy silnik GY-6 zapewnia dobrÄ przyczepnoĆÄ. Santini Capri to klasycznie wyglÄ dajÄ cy model skutera.
CzÄĆcii kolory
Typ Capri wystÄpuje w wielu kolorach. Kolory, ktĂłre sÄ nam znane:
CzÄĆcido Santini Capri
PowyĆŒej moĆŒna zobaczyÄ modele typu Capri, ktĂłrych mamy rysunki techniczne. Najpierw wybierz model, a nastÄpnie spĂłjrz na rysunek, ktĂłry Twoim zdaniem potrzebujesz. JeĆli szukasz czÄĆci w ten sposĂłb, zawsze masz gwarancjÄ dopasowania czÄĆci i akcesoriĂłw do Twojego Santini Capri. Do konserwacji Santini Capri bardzo waĆŒne jest, aby uĆŒywaÄ dobrze dopasowanych czÄĆci, co zapobiega niepotrzebnemu zuĆŒyciu i moĆŒe spowodowaÄ wiele niepotrzebnych kosztĂłw.


