Rysunkitechniczne dla Santini Capri biały
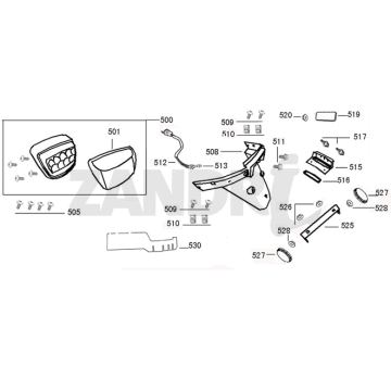
Kliknijtutaj na rysunkach technicznych lub rozstrzelonym widoku białego skutera Santini Capri, do którego szukasz części lub akcesoriów. Rysunki techniczne Santini Capri white dają jasny przegląd różnych pasujących części i akcesoriów. Szukając swoich części, zawsze masz pasujące części do swojego Santini Capri white.
SkuterSantini Capri
SantiniCapri to prawdziwy wygląd Vespy. Capri nadaje się również dla dwóch osób, a Santini ma stosunkowo dużą ilość miejsca na nogi. Bagażnik pod siedzeniem jest duży. Capri działa na benzynie bezołowiowej i jest ekonomiczny i cichy. 4-suwowy silnik GY-6 zapewnia dobrą przyczepność. Santini Capri to klasycznie wyglądający model skutera.
Częścii kolory
Typ Capri występuje w wielu kolorach. Kolory, które są nam znane:
Częścido Santini Capri
Powyżej można zobaczyć modele typu Capri, których mamy rysunki techniczne. Najpierw wybierz model, a następnie spójrz na rysunek, który Twoim zdaniem potrzebujesz. Jeśli szukasz części w ten sposób, zawsze masz gwarancję dopasowania części i akcesoriów do Twojego Santini Capri. Do konserwacji Santini Capri bardzo ważne jest, aby używać dobrze dopasowanych części, co zapobiega niepotrzebnemu zużyciu i może spowodować wiele niepotrzebnych kosztów.


