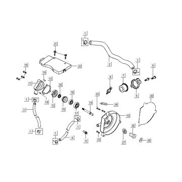
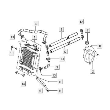
Rysunkitechniczne dla Kymco Super9 2t lc o.m mat czarno-czerwony
Kliknijtutaj na rysunkach technicznych lub widok rozstrzelony Kymco Super9 2t lc o.m matowy czarno-czerwony, dla ktĂłrego szukasz czÄĆci lub akcesoriĂłw. Rysunki techniczne Kymco Super9 2t lc o.m. matowy czarno-czerwony dajÄ jasny przeglÄ d rĂłĆŒnych pasujÄ cych czÄĆci i akcesoriĂłw. WyszukujÄ c swoje czÄĆci, zawsze masz odpowiednie czÄĆci do swojego Kymco Super9 2t lc o.m. matowy czarno-czerwony.


