Rysunkitechniczne dla Senzo Retro GT2 czerwony
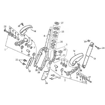
Kliknijtutaj na rysunkach technicznych lub rozstrzelonym widoku czerwonego skutera Senzo Retro GT2, do ktĂłrego szukasz czÄĆci lub akcesoriĂłw. Rysunki techniczne Senzo Retro GT2 red dajÄ jasny przeglÄ d rĂłĆŒnych pasujÄ cych czÄĆci i akcesoriĂłw. WyszukujÄ c swoje czÄĆci, zawsze masz pasujÄ ce czÄĆci do Senzo Retro GT2 red.
SkuterSenzo Retro GT2
Tobardzo fajny âzabawnyâ skuter! Senzo Retro GT2 4-suwowy ma klasyczny wyglÄ d. Retro jest wyposaĆŒony w silnik GY6, dziÄki czemu nadaje siÄ do tankowania Euro 95. DziÄki zastosowaniu duĆŒych chromowanych czÄĆci i szerokiej kierownicy, retro charakter tego skutera jest jeszcze bardziej podkreĆlony! Senzo Retro jest szeroko sprzedawany i gĆĂłwnie do celĂłw rekreacyjnych.
CzÄĆciza pomocÄ rysunku technicznego do Senzo Retro
PowyĆŒejmoĆŒna zobaczyÄ modele typu Retro, ktĂłrych mamy rysunki techniczne. Najpierw wybierz model, a nastÄpnie spĂłjrz na rysunek, ktĂłry Twoim zdaniem potrzebujesz. JeĆli szukasz czÄĆci w ten sposĂłb, zawsze masz gwarancjÄ dopasowania czÄĆci i akcesoriĂłw do swojego Senzo Retro. ProszÄ zwrĂłciÄ szczegĂłlnÄ uwagÄ na czÄĆci maski tego skutera, poniewaĆŒ mogÄ siÄ rĂłĆŒniÄ. Do konserwacji Twojego Senzo Retro bardzo waĆŒne jest, aby uĆŒywaÄ dobrze dopasowanych czÄĆci, co zapobiega niepotrzebnemu zuĆŒyciu i pozwala zaoszczÄdziÄ wiele niepotrzebnych kosztĂłw.
CzÄĆcii kolory
Tentyp wystÄpuje w wielu rĂłĆŒnych kolorach. Kolory, ktĂłre sÄ nam znane:
Niejest to jednak gwarancja, ĆŒe zamawiajÄ c nowÄ czÄĆÄ okapu w tym samym kolorze, bÄdzie ona dokĆadnie tego samego koloru co pokrowce na skuterze. Kolor moĆŒe czasem byÄ nieco inny.
CzÄĆcido Senzo Grande Retro
CzÄĆciSenzo Grande Retro sÄ Ćatwe do znalezienia dziÄki naszym rysunkom technicznym. PrzewijajÄ c, nastÄpnie powiÄkszajÄ c, a nastÄpnie klikajÄ c zdjÄcie. KorzystajÄ c z czÄĆci i akcesoriĂłw na rysunkach, moĆŒesz mieÄ pewnoĆÄ, ĆŒe dopasowanie wynosi zawsze 100%, a zuĆŒycie skutera jest najmniejsze.
Senzoskutery
OprĂłczwszystkich czÄĆci Senzo Grande Retro, ktĂłre moĆŒna znaleĆșÄ na powyĆŒszych rysunkach technicznych, mamy rĂłwnieĆŒ rĂłĆŒne czÄĆci do wielu innych typĂłw marki Senzo, ktĂłre moĆŒna znaleĆșÄ na naszych rysunkach technicznych. PomyĆl o:
JeĆlinie moĆŒesz znaleĆșÄ swojej czÄĆci, skontaktuj siÄ z naszym zespoĆem obsĆugi klienta. ChÄtnie Ci pomoĆŒemy!


