Częścizamienne i akcesoria do Senzo Retro GT2
Kliknijtutaj na właściwej wersji skutera Senzo Retro GT2, do którego szukasz części lub akcesoriów. Rysunki techniczne Senzo Retro GT2 dają jasny przegląd różnych pasujących części i akcesoriów. Oryginalne części Senzo Retro GT2 są oczywiście najlepiej dopasowane.
SkuterSenzo Retro GT2
Tobardzo fajny „zabawny” skuter! Senzo Retro GT2 4-suwowy ma klasyczny wygląd. Retro jest wyposażony w silnik GY6, dzięki czemu nadaje się do tankowania Euro 95. Dzięki zastosowaniu dużych chromowanych części i szerokiej kierownicy, retro charakter tego skutera jest jeszcze bardziej podkreślony! Senzo Retro jest szeroko sprzedawany i głównie do celów rekreacyjnych.
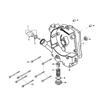
Częściza pomocą rysunku technicznego do Senzo Retro
Powyżejmożna zobaczyć modele typu Retro, których mamy rysunki techniczne. Najpierw wybierz model, a następnie spójrz na rysunek, który Twoim zdaniem potrzebujesz. Jeśli szukasz części w ten sposób, zawsze masz gwarancję dopasowania części i akcesoriów do swojego Senzo Retro. Proszę zwrócić szczególną uwagę na części maski tego skutera, ponieważ mogą się różnić. Do konserwacji Twojego Senzo Retro bardzo ważne jest, aby używać dobrze dopasowanych części, co zapobiega niepotrzebnemu zużyciu i pozwala zaoszczędzić wiele niepotrzebnych kosztów.
Częścii kolory
Tentyp występuje w wielu różnych kolorach. Kolory, które są nam znane:
Niejest to jednak gwarancja, że zamawiając nową część okapu w tym samym kolorze, będzie ona dokładnie tego samego koloru co pokrowce na skuterze. Kolor może czasem być nieco inny.
Częścido Senzo Grande Retro
CzęściSenzo Grande Retro są łatwe do znalezienia dzięki naszym rysunkom technicznym. Przewijając, następnie powiększając, a następnie klikając zdjęcie. Korzystając z części i akcesoriów na rysunkach, możesz mieć pewność, że dopasowanie wynosi zawsze 100%, a zużycie skutera jest najmniejsze.
Senzoskutery
Opróczwszystkich części Senzo Grande Retro, które można znaleźć na powyższych rysunkach technicznych, mamy również różne części do wielu innych typów marki Senzo, które można znaleźć na naszych rysunkach technicznych. Pomyśl o:
Jeślinie możesz znaleźć swojej części, skontaktuj się z naszym zespołem obsługi klienta. Chętnie Ci pomożemy!


