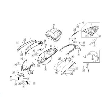
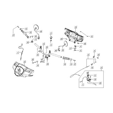
Rysunkitechniczne dla Kymco Like TT 4-suwowy diament biały
Kliknijtutaj na rysunkach technicznych lub widoku rozstrzelonym Kymco Like TT 4-suwowy diament biały, do którego szukasz części lub akcesoriów. Rysunki techniczne 4-suwowego diamentowego białego diamentu Kymco Like TT dają jasny przegląd różnych pasujących części i akcesoriów. Wyszukując swoje części, zawsze masz pasujące części do swojego 4-suwowego diamentu Kymco Like TT.


