CzÄĆcizamienne i akcesoria do Yamaha Aerox
Kliknijtutaj, aby znaleĆșÄ odpowiedniÄ wersjÄ Yamaha Aerox, do ktĂłrej szukasz czÄĆci lub akcesoriĂłw. Rysunki techniczne Yamaha Aerox dajÄ jasny przeglÄ d rĂłĆŒnych pasujÄ cych czÄĆci i akcesoriĂłw. OczywiĆcie oryginalne czÄĆci Yamaha pasujÄ najlepiej.
CzÄĆciYamaha Aerox
YamahaAerox to najlepiej sprzedajÄ cy siÄ typ Yamaha. Ten sportowy skuter i bardzo dobry skuter kierowniczy! Yamaha Aerox nie jest tani i jest wyposaĆŒony zarĂłwno w silnik dwusuwowy, jak i czterosuwowy. W powyĆŒszych kategoriach wszystkie czÄĆci sÄ wyraĆșnie rozmieszczone na rysunkach technicznych. Tutaj, oprĂłcz wszystkich oryginalnych czÄĆci Yamaha, znajdziesz szerokÄ gamÄ czÄĆci do replik.
JakznaleĆșÄ czÄĆci do skutera Yamaha Aerox?
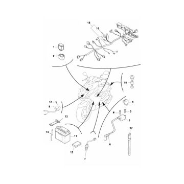
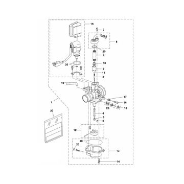
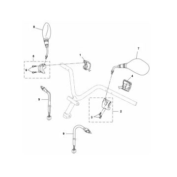
MoĆŒemydostarczyÄ wszystkie czÄĆci do Twojego skutera Yamaha Aerox. Najpierw wybierz model, a nastÄpnie spĂłjrz na rysunek, ktĂłry Twoim zdaniem potrzebujesz. Z rysunku moĆŒna zamĂłwiÄ czÄĆci. JeĆli szukasz czÄĆci i akcesoriĂłw za pomocÄ tych rysunkĂłw technicznych, zawsze masz gwarancjÄ odpowiednich czÄĆci do skutera Aerox!
CzÄĆcii akcesoria
Szerokagama czÄĆci i akcesoriĂłw jest dostÄpna dla wszystkich typĂłw skuterĂłw Yamaha. Z tej strony moĆŒesz przejĆÄ do strony, na ktĂłrej wszystkie czÄĆci sÄ wygodnie umieszczone, uĆoĆŒone wedĆug rodzaju skutera. ChÄtnie pomoĆŒemy Ci znaleĆșÄ odpowiednie czÄĆci, wiÄc skontaktuj siÄ z nami. W przypadku wszystkich czÄĆci uniwersalnych moĆŒesz przeszukiwaÄ kategorie lub uĆŒyÄ paska wyszukiwania w prawym gĂłrnym rogu.


