Rysunkitechniczne dla Tomos De Luxe 2-suwowy
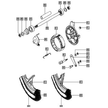
Kliknijtutaj na rysunkach technicznych lub rozstrzelonym widoku 2-suwowego Tomos De Luxe, do ktĂłrego szukasz czÄĆci lub akcesoriĂłw. Rysunki techniczne 2-suwowego Tomos De Luxe dajÄ jasny przeglÄ d rĂłĆŒnych pasujÄ cych czÄĆci i akcesoriĂłw. WyszukujÄ c swoje czÄĆci, zawsze masz odpowiednie czÄĆci do 2-suwowego Tomos De Luxe.
CzÄĆcido Twojego Tomos Luxe.
TomosLuxe ma duĆŒo miejsca do przechowywania. De Luxe jest rĂłwnieĆŒ wyposaĆŒony w elektryczny rozrusznik! NiektĂłre Tomos de Luxe majÄ zbiornik oleju, inne dziaĆajÄ na benzynie 2-suwowej (smarowanie mieszajÄ ce). Tomos de Luxe sÄ dostÄpne w rĂłĆŒnych kolorach, w tym czarnym i miedzianym czerwonym!
JakznaleĆșÄ czÄĆci do swojego Tomos Luxe?
MoĆŒemydostarczyÄ prawie wszystkie czÄĆci do Twojego Tomos Luxe. Najpierw wybierz model, a nastÄpnie spĂłjrz na rysunek, ktĂłry Twoim zdaniem potrzebujesz. Z rysunku moĆŒna zamĂłwiÄ czÄĆci. JeĆli szukasz czÄĆci i akcesoriĂłw za pomocÄ tych rysunkĂłw technicznych, zawsze masz gwarancjÄ dopasowania czÄĆci do swojego Tomos Luxe!
CzÄĆcii akcesoria
DostÄpnajest duĆŒa liczba czÄĆci i akcesoriĂłw do wszystkich rodzajĂłw wÄ sĂłw i motorowerĂłw Tomos. Z tej strony moĆŒesz przejĆÄ do strony, na ktĂłrej wszystkie czÄĆci sÄ wygodnie umieszczone, uĆoĆŒone wedĆug rodzaju skutera. W przypadku wszystkich czÄĆci uniwersalnych moĆŒesz przeszukiwaÄ kategorie lub uĆŒyÄ paska wyszukiwania w prawym gĂłrnym rogu.


