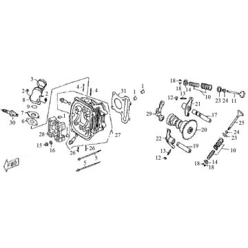
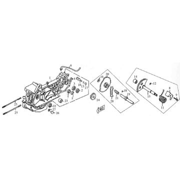
Rysunkitechniczne Berini Bella Milano 125cc
Kliknijtutaj na rysunkach technicznych lub rozstrzelonym widoku skutera Berini Bella Milano 125cc, do ktĂłrego szukasz czÄĆci lub akcesoriĂłw. Rysunki techniczne Berini Bella Milano 125cc dajÄ jasny przeglÄ d rĂłĆŒnych pasujÄ cych czÄĆci i akcesoriĂłw. SzukajÄ c swoich czÄĆci, zawsze masz odpowiednie czÄĆci do swojego Berini Bella Milano 125cc.
Znalezionoszybko!
SzybkoznajdĆș czÄĆci i akcesoria, ktĂłrych szukasz? PrzewiĆ nasze rysunki, a znajdziesz to w ten sposĂłb! MoĆŒesz rĂłwnieĆŒ mieÄ pewnoĆÄ, ĆŒe dopasowanie jest prawidĆowe, jeĆli zamĂłwisz jednÄ z czÄĆci na rysunkach. Ponadto, oczywiĆcie, wszystkie akcesoria sÄ rĂłwnieĆŒ odpowiednie dla Twojego Berini Bella Milano 125cc.
SilnikBerini Bella Milano 125CC
Prawdziwyretro wyglÄ d i stosunkowo duĆŒa kierownica, to wĆaĆnie sprawia, ĆŒe ten skuter jest tak wyjÄ tkowy! Ten skuter jest rĂłwnieĆŒ wyposaĆŒony w czterosuwowy silnik o pojemnoĆci 125 cm3. OprĂłcz tego, ĆŒe jest doĆÄ cichy, ten silnik jest rĂłwnieĆŒ bardzo mocny, ale ekonomiczny i nadaje siÄ zarĂłwno do Euro 95, jak i Euro 98.


