Rysunkitechniczne dla Peugeot Django euro4 mad grey
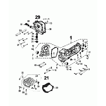
Kliknijtutaj na rysunkach technicznych lub rozstrzelonym widoku skutera Peugeot Django euro4 mad grey, do którego szukasz części lub akcesoriów. Rysunki techniczne Peugeot Django euro4 mad grey dają jasny przegląd różnych pasujących części i akcesoriów. Wyszukując swoje części, zawsze masz odpowiednie części do swojego Peugeot Django euro4 mad grey.


