Rysunkitechniczne dla Kymco Sento 4-suwowy czarny połysk
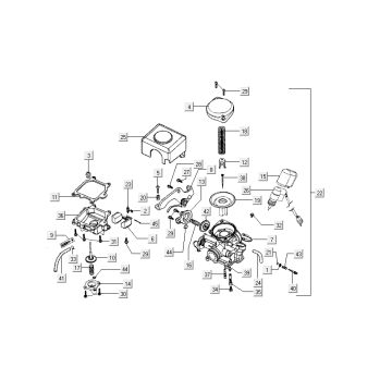
Kliknijtutaj na rysunkach technicznych lub rozstrzelonym widoku 4-suwowego czarnego połysku Kymco Sento, do którego szukasz części lub akcesoriów. Rysunki techniczne 4-suwowego czarnego połysku Kymco Sento dają jasny przegląd różnych pasujących części i akcesoriów. Szukając swoich części, zawsze masz odpowiednie części do swojego 4-suwowego czarnego połysku Kymco Sento.


