Rysunkitechniczne dla SYM Tonik white
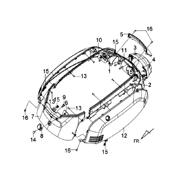
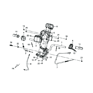
Kliknijtutaj na rysunkach technicznych lub rozstrzelonym widoku białego skutera SYM Tonik, do którego szukasz części lub akcesoriów. Rysunki techniczne SYM Tonik dają jasny przegląd różnych pasujących części i akcesoriów. Wyszukując swoje części, zawsze masz pasujące części do swojego SYM Tonik white.
CZĘŚCI/CZĘŚCIDO MGS TONIK.
SYMTonik to kompaktowy skuter miejski w stylu retro. Tonik jest stosunkowo lekki i zwinny. Schowek pod siodłem jest przestronny. ZANDRI ma zarówno imitacje części, jak i fabryczne oryginalne części w magazynie do tego 4-suwowego skutera SYM.
CZĘŚCIDO SYM Tonik MOŻNA ŁATWO ZAMÓWIĆ ZA POMOCĄ RYSUNKÓW TECHNICZNYCH.
SYMTonik ma cichy i ekonomiczny silnik czterosuwowy. Tonik jest często używany w hobby umiarkowanie, ale jako żywy pracownik, Tonik również stoi na swoim miejscu. Na tej stronie możesz wybrać spośród sprzedawanych kolorów MGS Tonik poprzez rysunki techniczne. Jeśli są jakieś pytania, chętnie pomożemy;
-czatna żywo
-przeztelefon
NOWECZĘŚCI, ZARÓWNO ORYGINALNE, JAK I IMITACYJNE DO TONIKU SYM.
Częścinasadki/części płyty do SYM TONIC są prawie tylko fabrycznie oryginalne. Dopasowanie i kolory są świetne, niestety cena jest często mniej przytulna. W przypadku akcesoriów dostępne są różne cechy i przedziały cenowe!
Większośćczęści zużywających się, akcesoriów i części uniwersalnych można łatwo znaleźć za pomocą naszej struktury menu po lewej stronie, lub za pomocą paska wyszukiwania.


