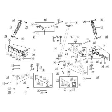
Rysunkitechniczne dla Kymco MXU 500
Kliknijtutaj rysunki techniczne lub widok rozstrzelony quada Kymco MXU 500, do ktĂłrego szukasz czÄĆci lub akcesoriĂłw. Rysunki techniczne Kymco MXU 500 dajÄ jasny przeglÄ d rĂłĆŒnych pasujÄ cych czÄĆci i akcesoriĂłw. SzukajÄ c swoich czÄĆci, zawsze masz odpowiednie czÄĆci do swojego Kymco MXU 500.


