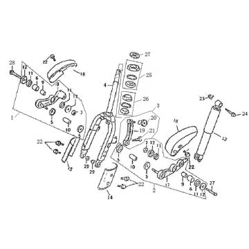
Rysunkitechniczne kremu do kawy Benzhou Retro
Kliknijtutaj na rysunkach technicznych lub rozstrzelonym widoku skutera Benzhou Retro, dla którego szukasz części lub akcesoriów. Rysunki techniczne Benzhou Retro dają jasny przegląd różnych pasujących części i akcesoriów. Szukając swoich części, zawsze masz odpowiednie części do swojego Benzhou Retro.


