Rysunkitechniczne BTC Grande Retro GT1 ciemnoniebieski
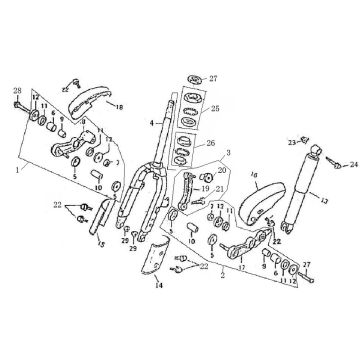
Kliknijtutaj rysunki techniczne lub widok rozstrzelony BTC Grande Retro GT1 ciemnoniebieski, do ktĂłrego szukasz czÄĆci lub akcesoriĂłw. Rysunki techniczne ciemnoniebieskiego BTC Grande Retro GT1 dajÄ jasny przeglÄ d rĂłĆŒnych pasujÄ cych czÄĆci i akcesoriĂłw. SzukajÄ c swoich czÄĆci, zawsze masz odpowiednie czÄĆci do swojego BTC Grande Retro GT1 ciemnoniebieski.


