Rysunkitechniczne BTC Grande Retro GT1 czarny krem
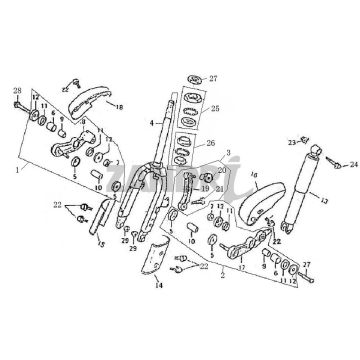
Kliknijtutaj na rysunkach technicznych lub rozstrzelonym widoku czarnego kremu BTC Grande Retro GT1, do ktĂłrego szukasz czÄĆci lub akcesoriĂłw. Rysunki techniczne czarnego kremu BTC Grande Retro GT1 dajÄ jasny przeglÄ d rĂłĆŒnych pasujÄ cych czÄĆci i akcesoriĂłw. WyszukujÄ c swoje czÄĆci, zawsze masz pasujÄ ce czÄĆci do czarnego kremu BTC Grande Retro GT1.


