Rysunkitechniczne BTC Grande Retro GT1 niebieski krem
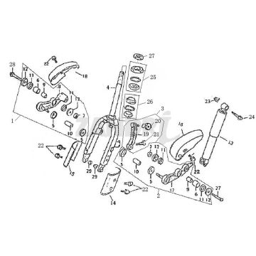
Kliknijtutaj na rysunkach technicznych lub rozstrzelonym widoku niebieskiego kremu BTC Grande Retro GT1, do ktĂłrego szukasz czÄĆci lub akcesoriĂłw. Rysunki techniczne niebieskiego kremu BTC Grande Retro GT1 dajÄ jasny przeglÄ d rĂłĆŒnych pasujÄ cych czÄĆci i akcesoriĂłw. WyszukujÄ c swoje czÄĆci, zawsze masz pasujÄ ce czÄĆci do niebieskiego kremu BTC Grande Retro GT1.


