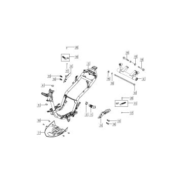
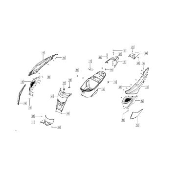
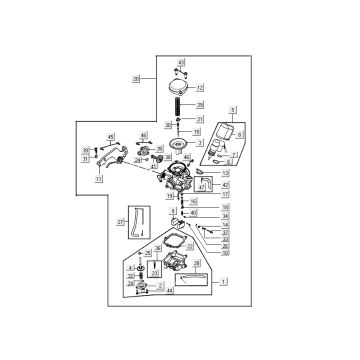
Rysunkitechniczne dla Kymco Super8 4-suwowy z 2009 roku czarny matowy
Kliknijtutaj na rysunkach technicznych lub rozstrzelonym widoku Kymco Super8 4-suwowy z 2009 matowy czarny, dla ktĂłrego szukasz czÄĆci lub akcesoriĂłw. Rysunki techniczne 4-suwowego Kymco Super8 z 2009 matowej czerni dajÄ jasny przeglÄ d rĂłĆŒnych pasujÄ cych czÄĆci i akcesoriĂłw. WyszukujÄ c swoje czÄĆci, zawsze masz odpowiednie czÄĆci do Kymco Super8 4-suwowy z 2009 matowej czerni.


