Rysunkitechniczne Luuko Roman matowy antracyt
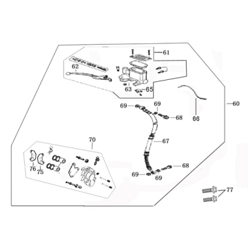
Kliknijtutaj na rysunkach technicznych lub rozstrzelonym widoku hulajnogi Luuko Roman matowy antracyt, do ktĂłrego szukasz czÄĆci lub akcesoriĂłw. Rysunki techniczne maty Luuko Roman antracytu dajÄ jasny przeglÄ d rĂłĆŒnych pasujÄ cych czÄĆci i akcesoriĂłw. WyszukujÄ c swoje czÄĆci, zawsze masz odpowiednie czÄĆci do swojego matowego antracytu Luuko Roman.


