Rysunkitechniczne dla China Classic S płaski matowy antracyt
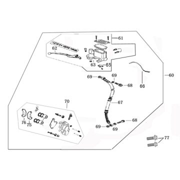
Kliknijtutaj na rysunkach technicznych lub rozstrzelonym widoku China Classic S płaskiego matowego antracytu skutera. Rysunki techniczne płaskiego matowego antracytu China Classic S dają jasny przegląd różnych odpowiednich części i akcesoriów. Szukając swoich części w ten sposób, zawsze będziesz mieć odpowiednie części do swojego płaskiego matowego antracytu China Classic S..


