Rysunkitechniczne dla Fosti Veneri
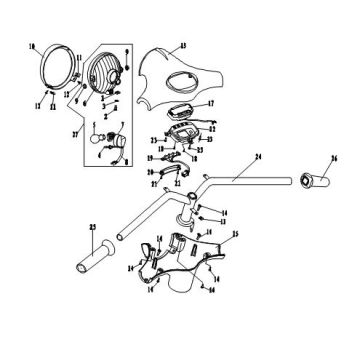
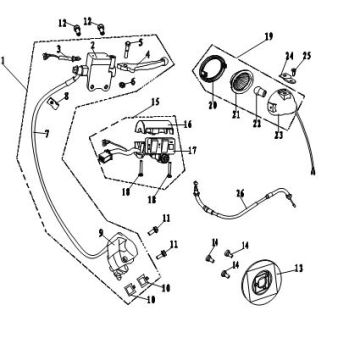
Kliknijtutaj rysunki techniczne lub widok rozstrzelony skutera Fosti Veneri, do ktĂłrego szukasz czÄĆci lub akcesoriĂłw. Rysunki techniczne Fosti Veneri dajÄ jasny przeglÄ d rĂłĆŒnych pasujÄ cych czÄĆci i akcesoriĂłw. WyszukujÄ c swoje czÄĆci, zawsze masz odpowiednie czÄĆci do swojego Fosti Veneri.
 
            


