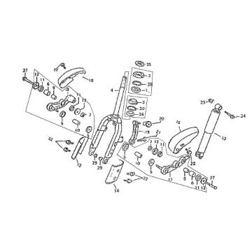
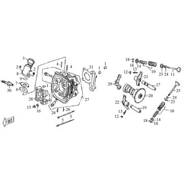
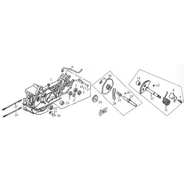
Rysunkitechniczne AGM Retro 125cc
Kliknijtutaj na rysunki techniczne lub widok rozstrzelony skutera AGM Retro 125cc, do którego szukasz części lub akcesoriów. Rysunki techniczne AGM Retro-125 dają jasny przegląd różnych pasujących części i akcesoriów. Szukając swoich części, zawsze masz odpowiednie części do swojego AGM Retro 125cc.


