Rysunkitechniczne dla Kymco DJ 2-suwowy Czarny
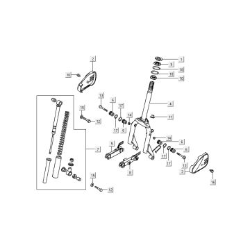
Kliknijtutaj na rysunki techniczne lub widok rozstrzelony Kymco DJ 2-suwowy czarny, do ktĂłrego szukasz czÄĆci lub akcesoriĂłw. Rysunki techniczne Kymco DJ 2-suwowy Black dajÄ jasny przeglÄ d rĂłĆŒnych pasujÄ cych czÄĆci i akcesoriĂłw. WyszukujÄ c swoje czÄĆci, zawsze masz odpowiednie czÄĆci do swojego Kymco DJ 2-suwowy czarny.


