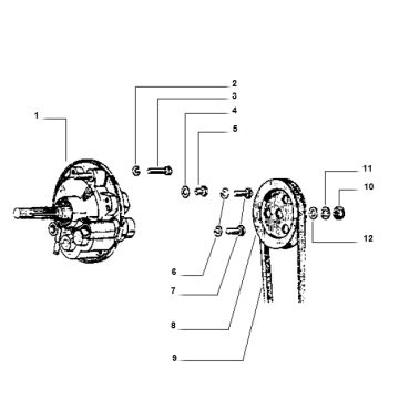
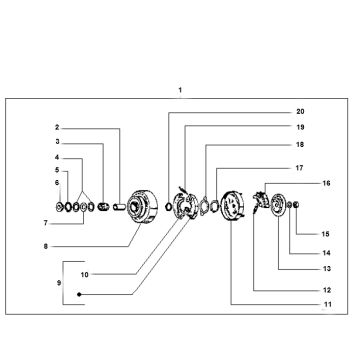
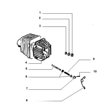
Rysunkitechniczne Vespa Ciao 2-suwowy
Kliknijtutaj na rysunkach technicznych lub rozstrzelonym widoku skutera 2-suwowego Vespa Ciao, do którego szukasz części lub akcesoriów. Rysunki techniczne Vespa Ciao dają jasny przegląd różnych pasujących części i akcesoriów. Szukając swoich części, zawsze masz odpowiednie części do 2-suwowego Vespa Ciao.


