Rysunkitechniczne Edwards Maple V50-2 125cc czarny
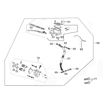
Kliknijtutaj na rysunkach technicznych lub rozstrzelonym widoku czarnego skutera Edwards Maple V50-2 125cc, do ktĂłrego szukasz czÄĆci lub akcesoriĂłw. Rysunki techniczne Edwards Maple V50-2 125cc black dajÄ jasny przeglÄ d rĂłĆŒnych pasujÄ cych czÄĆci i akcesoriĂłw. WyszukujÄ c swoje czÄĆci, zawsze masz odpowiednie czÄĆci do Edwards Maple V50-2 125cc black.


