Rysunkitechniczne AGM Retro po 2013 krem kawowy
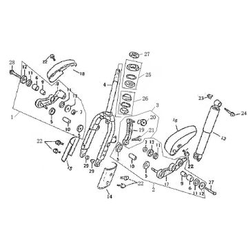
Kliknijtutaj na rysunkach technicznych lub rozstrzelonym widoku AGM Retro po 2013 skuter z kremem do kawy, dla ktĂłrego szukasz czÄĆci lub akcesoriĂłw. Rysunki techniczne AGM Retro-50 dajÄ jasny przeglÄ d rĂłĆŒnych pasujÄ cych czÄĆci i akcesoriĂłw. WyszukujÄ c swoje czÄĆci, zawsze masz odpowiednie czÄĆci do kremu do kawy AGM Retro po 2013 roku.


