Rysunkitechniczne AGM Retro po 2013 jasnoniebieski
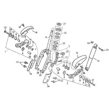
Kliknijtutaj na rysunkach technicznych lub widok rozstrzelony AGM Retro po 2013 jasnoniebieski skuter, dla ktĂłrego szukasz czÄĆci lub akcesoriĂłw. Rysunki techniczne AGM Retro-50 dajÄ jasny przeglÄ d rĂłĆŒnych pasujÄ cych czÄĆci i akcesoriĂłw. SzukajÄ c swoich czÄĆci, zawsze masz odpowiednie czÄĆci do AGM Retro po 2013 jasnoniebieskim.


