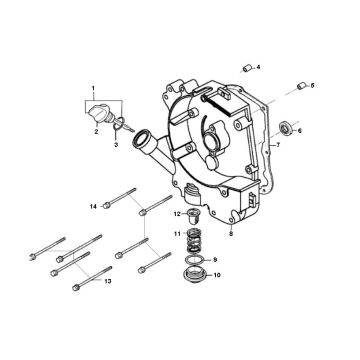
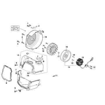
Częścido AGM Retro
Kliknijtutaj poprawną wersję skutera AGM Retro, do którego szukasz części lub akcesoriów. Rysunki techniczne AGM Retro-50 dają jasny przegląd różnych pasujących części i akcesoriów. Oryginalne części AGM są oczywiście najlepiej dopasowane, ale oferujemy również kilka dobrych części zamiennych.
Hulajnogaretro AGM
AGMRetro 4-suwowy ma klasyczny wygląd. Retro jest wyposażony w silnik GY6, dzięki czemu nadaje się do tankowania Euro 95. Dzięki zastosowaniu dużych chromowanych części i szerokiej kierownicy, retro charakter tego skutera jest jeszcze bardziej podkreślony! AGM Retro jest szeroko sprzedawany i głównie do celów rekreacyjnych. To bardzo fajny „zabawny” skuter!
Częścii kolory
Tentyp występuje w wielu różnych kolorach. Kolory, które są nam znane:
- Krem
- Czarny
- Ciemnyniebieski
- Jasnyniebieski
- Czerwony
- Biały/Czarny
- Biały
- Antracyt
Niejest to jednak gwarancja, że zamawiając nową część okapu w tym samym kolorze, będzie ona dokładnie tego samego koloru co pokrowce na skuterze. Kolor może czasem być nieco inny.


