Rysunkitechniczne dla China Grande Retro biały czarny
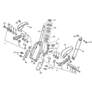
Kliknijtutaj na rysunkach technicznych lub rozstrzelonym widoku China Grande Retro biały czarny skuter, dla którego szukasz części lub akcesoriów. Rysunki techniczne białej czerni China Grande Retro dają jasny przegląd różnych pasujących części i akcesoriów. Szukając swoich części, zawsze masz pasujące części do swojego China Grande Retro biały czarny.


