Rysunkitechniczne dla China Grande Retro niebieski biały
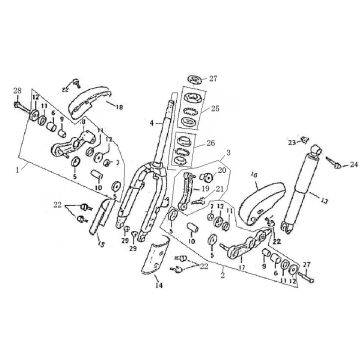
Kliknijtutaj na rysunkach technicznych lub rozstrzelonym widoku China Grande Retro niebieski biały skuter, dla którego szukasz części lub akcesoriów. Rysunki techniczne niebiesko-białej porcelany Grande Retro dają jasny przegląd różnych pasujących części i akcesoriów. Szukając swoich części, zawsze masz odpowiednie części do swojego China Grande Retro niebieski biały.


