Rysunkitechniczne dla BTC Ceo czarny
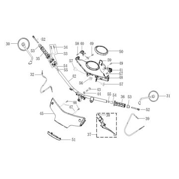
Kliknijtutaj rysunki techniczne lub widok rozstrzelony BTC Ceo czarny, do ktĂłrego szukasz czÄĆci lub akcesoriĂłw. Rysunki techniczne BTC Ceo black dajÄ jasny przeglÄ d rĂłĆŒnych pasujÄ cych czÄĆci i akcesoriĂłw. SzukajÄ c swoich czÄĆci, zawsze masz odpowiednie czÄĆci do swojego BTC Ceo black.


